
- Qapaq başlıqları: 2 ədəd servo-moto sürmə
- Gərginlik: 220V, 50/60HZ;
- Güc: 3.0Kw
- Hava təzyiqi: 0,5-0,7Mpa
- Amper: 8.5A
- Sürət: 40-45/dəq (kavanozların forma və ölçülərinə görə fərdiləşdirilir)
- Uyğun məhsul diametri: φ28-φ125mm qapaqlar(Qeyri-standart fərdiləşdirilmiş)
- Gland keçid dərəcəsi: ≥99.5%(Qapaq və şüşə xətasından asılı olaraq)
- Maşının ölçüsü: 3300*1150mm*1908mm
- Çəkisi: 450 kq
Maşının gücünü işə salmadan əvvəl. Təhlükəsizlik məsələləri və maşının düzgün istifadəsi üçün bu təlimatı diqqətlə oxuyun. Personel qəzalarının qarşısını almaq və maşın zədələnməsinin tezliyini azaltmaq.
Aşındırıcı məhsullar olduqda, korroziyaya səbəb olan əşyaların maşının özünə və işçi heyətinə toxunmamasına və ya sıçramasına diqqət yetirin.
- Maşını vibrasiyaya və ya toqquşmaya məruz qalan yerlərdə istifadə etməyin.
- Maşın işləyərkən işçinin bədəni hərəkət edən hissələrə toxuna bilməz.
- Həddindən artıq rütubətli yerlərdə maşından qaçınmaq lazımdır. Və onu enerji təchizatına daxil edin, torpaq naqili düzgün şəkildə əsaslandırılıb, Təhlükəsizlik qəzasının qarşısını almaq üçün.
- Operator normal fiziki və zehni vəziyyətini saxlamalıdır, Əgər spirt, yuxu həbləri və ya psixi vəziyyətinizə zərər verən digər dərmanlar qəbul edirsinizsə, maşını işlətməyi dayandırın.
- Operator paltarın yuvarlanan hissələrə qarışması nəticəsində yaralanmaların qarşısını almaq üçün müvafiq geyim geyinməli və maşına heç bir kənar əşya qoymamalıdır.
- İstifadə zamanı səs-küy və ya digər anormallıqlar baş verərsə, dərhal dayandırın və yoxlayın. Mühəndis olmayan texniki işçilər, lütfən, maşın hissələrini özbaşına köçürməyin.
- Daimi (həftədə bir dəfə) texniki qulluq və qulluq, maşını təmizləyərkən suyun və ya hər hansı mayenin sıçramasından və elektron idarəetmə qutularından və ya digər elektrik komponentlərindən qaçınmaq.
- Zəhmət olmasa normal əməliyyat prosedurlarına uyğun işləyin və maşının səthini təmiz və səliqəli saxlayın.
Qapaq maşını qablaşdırma prosesində hər cür kosmetik, dərman, baytarlıq, pestisid, sürtkü yağı və digər sənaye sahələrinə tətbiq olunur.





Kavanoz qapaq maşınının prinsipi və xüsusiyyətləri:
- Elektrik avtomatik idarəetmə, sabitdir;
- Qapaqlı yerləşdirmə cihazı, kilidli qapaq standartı ilə əməliyyat rahatdır;
- Kilid geniş əhatə dairəsini əhatə edir, qapağın müxtəlif formalı spesifikasiyalarını döndərə bilər;
- Qapaq sürəti, fırlanma həbsxanası, eyni zamanda geri sarma sıxlığını tənzimləmək ehtiyacına görə də ola bilər.


Kosmetik bankaların qapaqları üçün maşının əsas parametrləri:

1. Qapaq başlıqları: 2 ədəd servo-moto sürmə
2. Gərginlik: 220V, 50/60HZ;
3. Güc: 3.0Kw
4. Hava təzyiqi: 0,5--0,7Mpa
5. Amper: 8.5A
6. Sürət: 40-45/dəq (kavanozların forma və ölçülərinə görə fərdiləşdirilir)
7. Uyğun məhsul diametri: φ28-φ125mm qapaqlar(Qeyri-standart fərdiləşdirilmiş)
8. Gland keçid dərəcəsi: ≥99.5%(Qapaq və şüşə xətasından asılı olaraq)
9. Maşının ölçüsü: 3300*1150mm*1908mm
10. Çəkisi: 450 kq
Host Hissəsinin Təsviri


Güc açarı: Enerji təchizatını yandırın --- söndürün.
Güc göstəricisi: yandırın - yaşıl işıq yanır, enerji sönür --- yaşıl işıq sönür.
Təcili dayandırma: Maşını dərhal dayandırmaq və ya fövqəladə və ya nasazlıq zamanı funksiyanı yenidən qurmaq üçün istifadə olunur.
1. Fotoelektrik işə başlayın: Maşın işləyir, fotoelektrik aşkarlama şüşənin və qapağın olduğunu aşkar etdikdə dönər masa işə başlaya bilər. İki fotoelektrikdən biri aşkar edilmirsə, dönər masa fırlanmır.
2. Mənşəli fotoelektrik: Dönər masanın yerləşdirilməsini idarə etmək üçün pilləli mühərriki idarə etmək üçün istifadə olunur, beləliklə şüşə qapağa hamar şəkildə daxil edilə bilər.
3. Fotoelektrik qapaq: Qapağın yerində olub-olmadığını yoxlayın və fırlanma üçün qapağın dönər qabının olduğunu fotoelektrik olaraq aşkar edin.
4. Fotoelektrikliyi əhatə edin: Üst qapaq maşınının işə salınması və dayanmasına nəzarət, üst qapaq maşını tərəfindən təmin edilən qapaq fotoelektrik tərəfindən aşkar edilən mövqeyə çeşidləndikdə, fotoelektrik həmişə parlaq olur, örtük maşını örtük üçün dayanır və ağıllı örtük həyata keçirilir. .
5. Kilid qapağının fotoelektrikliyi: Qapaqlı şüşə keçdikdə, fotoelektrik aşkarlama aşkar edilir və kilid qapağı təyin edilmiş gecikmə müddətinə uyğun olaraq işə salınır (xüsusi parametrlər maşın tənzimlənən zaman konveyer kəmərinin sürətinə uyğun olaraq tənzimlənir).
6. Bağlama sistemi: Qapaqlı şüşə eynidir, fotoelektrik başlanğıc gecikməsi, silindr sıxacının şüşəsinə gecikmə, kilid qapağı aşağı salınır, tutma qapağı - vida qapağı - tutucu buraxma - kilid qapağı qalxır - klips şüşəsi gevşetilir, və kilid qapağı prosesi tamamlandı. Kilid qapağında, 1# kilid qapağı kilid qapağında olduqda, başqa bir şüşə içəri daxil olur. Bu zaman 2# sıxac şüşə silindri hərəkət edir və qapağı bağlamaq üçün 2# kilid qapağı işə salınır. (2# kilid başlığı ilə bağlanmış qapaq 1# qıfıllı şüşədən keçəndə, təkrarlamayın. kilid qapağı.

İnsan-maşın interfeysinin təsviri

Yükləmə səhifəsi
3.1 Yükləmə səhifəsində İngilis, Çin əməliyyat seçimi var, əgər Çin düyməsini seçsəniz, aşağıdakı interfeysi daxil edin:

İkinci interfeys
Dayan: Bütün maşının başlanğıc açarı, bu düyməyə toxunun, maşın avtomatik rejimdə işləyir, yenidən bu düyməyə toxunun, maşın işləməyi dayandırır.
Test qapısı: Maşının işini yoxlayın.
Dönər masanın sürəti: Sürət parametri nə qədər böyükdürsə, sürət nə qədər sürətli olarsa, sürət parametri də bir o qədər yavaş olar.(Lakin maksimum limit var.)。
Dönər masanın gecikməsi: Dönər masanın işə salınma vaxtı parametrləri, dönər masanın düzgün işləməsinə uyğun olaraq təyin etmək effekti.
Kapatma gecikməsi: Dönən masadan sonra təyin olunmuş stansiyaya, gözləmə vaxtını gecikdirin, silindrin hərəkət qapağı.
Qapaq vaxtı: Silindr möhürlənməsi üçün tələb olunan vaxt.
Çıxış: Kilid qapağının sayının qeydini, rahat istehsal sayını tamamlayın. Təmizləmək üçün sıfırlama düyməsini basın.
X1. X3. X14: Fotoelektrik əksin iş vəziyyətində olub olmadığını yoxlayın, maşının işini görmək asandır,
Qapaq parametri: Bu düyməni basın və aşağıdakı interfeysi daxil edin:

İnterfeys, servo kilid qapaq sistemindəki 1 # kilid başlığının hər bir hərəkəti üçün təyin ediləcək parametr səhifəsidir, parametrlərin ağlabatan təyin edilməsi maşının sabitliyinə və səmərəliliyin yaxşılaşdırılmasına faydalıdır.
Qayıdış: İkinci interfeysə qayıtmaq üçün bu düyməni basın.
I/O: Aşağıdakı interfeysə daxil olmaq üçün bu düyməni basın:

X seriyası nöqtələri: Fotoelektriklərin işlək vəziyyətdə olub-olmadığını aşkar etmək üçün giriş nöqtəsidir, maşının işini görmək asandır, texniki xidmət asandır.
Y seriyası nöqtələri: Rəyin normal vəziyyətinin icraedici komponentlərinin çıxış nöqtəsidir, icra komponentlərinin normal olub olmadığını yoxlamaq üçün idarəetmə düyməsini əl ilə də basa bilər.
Qapaq qidalandırıcı sistemi: Örtmək üçün müəyyən edilmiş istiqamətə uyğun olaraq sabit və nizamlı ola bilər.
Tilt tənzimlənməsi: ağlabatan bucaq slayd içinə dırmaşmaq deyil tərs qapaq nəzarət etmək üçün tənzimlənə bilər.
Tezlik çeviricisinin tənzimlənməsi: qapağın sürətinə nəzarət edin.


Kavanozların Qapaq Avadanlıqlarına Baxım:
1. Təhlükəsizliyi təmin etmək üçün maşını elektrik və qazı söndürülmüş vəziyyətdə saxlayın. Maşını təmiz və səliqəli saxlayın, maşında müxtəlif əşyalar, kiçik əşyalar, aksesuarlar, boltlar və s.
2. Mexanizmin yaxşı işləməsini təmin etmək üçün hərəkət edən hissə mexanizminə mütəmadi olaraq sürtkü yağı əlavə edilir.
3. Silindrdən düzgün istifadəni təmin etmək və xidmət müddətini uzatmaq üçün mütəmadi olaraq hava filtri qurğusundan suyu buraxın və sürtkü yağı əlavə edin.
4. Maşını müntəzəm olaraq yoxlayın və təmir edin. Maşının yaxşı işlədiyinə əmin olmaq üçün avadanlığın işləmə vəziyyətini görmə və qulaq vasitəsilə qiymətləndirin.
Qeyd: zəhmət olmasa istifadə edin və təlimatlara uyğun olaraq qoruyun, zəmanət müddəti ciddi şəkildə açmaq və sökmək qadağandır, əks halda bunun səbəb olduğu ziyan insan ziyanı, pulsuz təmir yoxdur. Bu təlimat xəbərdarlıq edilmədən dəyişdirilə bilər; bu maşının işləməsi ilə bağlı hələ də hər hansı qeyri-müəyyənlik varsa, sorğu üçün bizə istənilən vaxt zəng edin
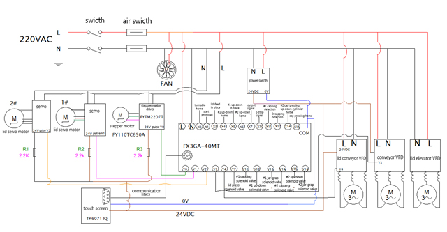
Əlavə edilmiş elektrik sxemi:

Hazır möhürlənmiş qapaqlar bankaların qapaq maşınından nümunə götürür:





İşarələr: qapaqları cızılmağa həssas olduğu üçün kvadrat qara bankalar üçün qabların qapaqlarını nimçələrdən çıxarmaq və qapaq bağlama prosesi üçün qapaqlamaya hazır stansiyaya qoymaq üçün toplama sistemi ilə nəzərdə tutulmuşdur. Ətraflı iş prinsipi aşağıdakı kimi təsvir edilmişdir: İş prosesi:
1. Qapaqların nimçəyə əl ilə qoyulması (15*15 və ya 10*10)

2. Tərəqqilərin hazır götürmə məntəqəsinə qoyulması
3. Kavanozları yığan robotlar

4. Şüşələrin yerləşdirilməsi və qapaqların bağlanması prosesi başa çatır
5. Qapaqlı bankaların çıxışı











