
- Qapaq sürəti: 15-30 ədəd/dəq
- Nominal gərginlik: 110V/60Hz (ABŞ Standartı)
- Maşın Gücü: 0.8KW
- Amper: 2.2A
- Xarici ölçü: 2230*1460*1600 MM(L*W*H)
- Hava təzyiqi: 0,7 MPa
- Çəki: təxminən 300 KG
Şüşə Qapaq Maşını işə salmazdan əvvəl bildiriş
1: Maşın qoşulmazdan əvvəl, elektrik açarının qapalı vəziyyətdə olduğundan əmin olun və sonra təlimata əməl edin.
2: Maşın uzun müddət işləmirsə, quru bir parça ilə silinməli və heç bir aşındırıcı təmizləyici ilə təmizlənməməlidir.
3: Daxili elektrik komponentlərinin korroziyaya uğramaması və qısaqapanmaya səbəb olması üçün maşının elektrik qutusuna hər hansı bir maye tökmək qəti qadağandır.
4: Dizayn və məhsul standartlarının tələblərinə cavab verdiyinə və uyğunluq sertifikatları ilə müşayiət olunduğuna əmin olmaq üçün avadanlıqların qablaşdırma siyahısı modellərinə, spesifikasiyalara və avadanlıq və materialların miqdarına uyğun olaraq yoxlayın.
5: Avadanlığın hər hansı deformasiyadan, zədələnmədən və korroziyadan və hər hansı bir tıxanmadan çevik şəkildə fırlanmalı olan bütün millərdən azad olduğuna əmin olmaq üçün onun görünüşünü yoxlayın.
6: Bu maşın tək fazalı AC 110V altında işləyir və düz 3 ayaqlı elektrik rozetkasına torpaq naqili ilə qoşulmalıdır.
Texniki Parametrlər

- Qapaq sürəti: 15-30 ədəd/dəq
- Nominal gərginlik: 110V/60Hz (ABŞ Standartı)
- Maşın Gücü: 0.8KW
- Amper: 2.2A
- Xarici ölçü: 2230*1460*1600 MM(L*W*H)
- Hava təzyiqi: 0,7 MPa
- Çəki: təxminən 300 KG
Qapaq Maşınının Təfərrüatları:



Maşının Strukturları

Optik Fiber Elektrik Göz Təsviri
Şüşələri aşkar etmək üçün elektrik göz:

 Avtomatik rejimdə işlədildikdə, bu elektrik gözün məqsədi gələn şüşələri aşkar etməkdir.
Gələn şüşə aşkar edildikdə, "dönmə masası" fırlanır.
Qapaq-Çatdırılma Elektrikli Göz

Avtomatik rejimdə işlədildikdə, bu elektrik gözün məqsədi daxil olan örtükləri aşkar etməkdir.
Daxil olan qapaq aşkar edildikdə, materialın götürülməsi üçün "çıxarma mexanizmi" qalxır.
Qapaq-Çatdırılma Elektrikli Göz

Avtomatik rejimdə işlədildikdə: Bu elektrik gözün məqsədi gələn şüşələri aşkar etməkdir.
Daxil olan şüşə aşkar edildikdə, "kilid qapağı mexanizmi" kilid qapağını aşağıya çevirir.
Keçid Düyməsi və Naqil Portu
Toxunma Ekranı Və Təcili Dayanma
 
 Yem mühərriki və qapaq vibrasiya lövhəsi nəzarətçisi

Vibrasiya lövhəsi nəzarətçisi

Vibrasiya lövhəsi nəzarətçisi: Gərginliyi tənzimləməklə, boşalma sürətini tənzimləyin.
Elektrik açarı və rozetkalar

Motor nəzarətçisi

Tezlik transformatoru: Tezlik transformatorunun düyməsini tənzimləməklə mühərrik sürətini tənzimləyin.
Siqnal və Problemlərin aradan qaldırılması metodu:
1. Fövqəladə dayanma düyməsi basıldı. Maşının qapağındakı və sensor ekranın yanındakı təcili dayanacaqları itələyin.
2. Çıxış müəyyən edilmiş dəyərə çatır. Çıxışı təyin edin, cari çıxışı təmizləmək üçün sil düyməsini basın.
3. Qapaqlar uzun müddət aşkar edilmədikdə, lütfən yoxlayın. Şüşə qapağının induksiya lifinin yaxşı təmin edilib-edilmədiyini yoxlayın. Qapaqların yerində olub olmadığını yoxlayın.
4. Şüşələr uzun müddət aşkar edilmədikdə, lütfən yoxlayın. Şüşələrin yerində olub olmadığını yoxlayın.
Elektrikli Göz Tənzimlənməsi:
Gücləndirici Quruluş

Optik Fiber üçün Diaqram:

1. Fiber optik kilid çubuğu
2. Əməliyyat statusu göstəricisi
3. Set
4. DSC göstərici işığı
5. Rəqəmsal monitor
6. Əl düyməsi
7. Genişləndirilmiş qoruyucu örtük
8. Genişləndirici birləşdirici
9. Güc seçici açarı
10. Rejim düyməsi
11. Çıxış seçicisi
12. Kabellər
13. Tozdan qoruyucu
14. Dəyəri təyin edin (Yaşıl rəngdə)
15. Cari dəyər (qırmızı ilə)
Fiber Optik Parametr üçün İş Prosesi
- Elektrik gözü boşluğa düşdükdə qırmızı cərəyan dəyəri 144-dür.
- Elektrik gözü etiketin üzərinə düşəndə qırmızı cərəyan dəyəri 4-dür.
- Quraşdırılmış dəyəri tənzimləyin"elektrik gözün bədən kağızı üzərində olduğu dəyərin təxminən 1/2 hissəsi (aşkar ediləcək obyektlər arasındakı boşluqda) və elektrik gözün kağız üzərində olduğu dəyərin müəyyən edilmiş dəyəri (144) 4)/2=74, təyin edilmiş dəyəri 74-ə uyğunlaşdırmaq üçün əl düyməsini tənzimləyin.
- Elektrik gözü yerində və qırmızı “siqnal işığı/indikator işığında” etiket boşluğunu irəli-geri hərəkət etdirin.
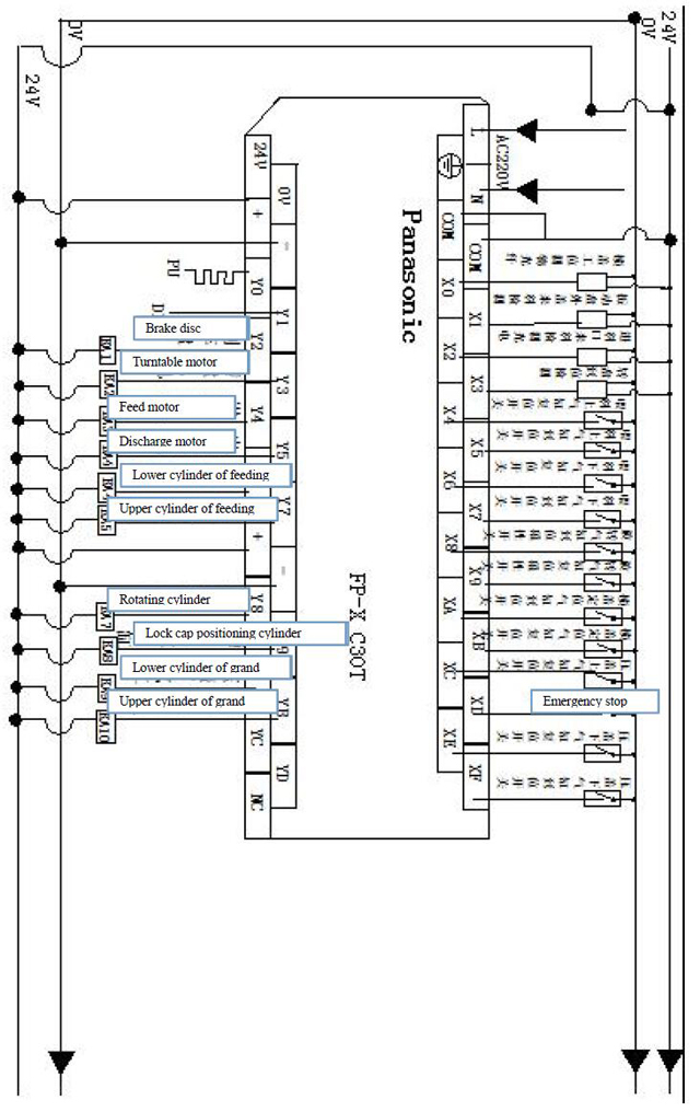
Dövrə diaqramı



Baxım Şüşə Qapaq Maşını

1. Maşını uzatmaq və maşının funksiyasını optimallaşdırmaq üçün maşını yoxlamaq və ona qulluq etmək lazımdır;
- İşləyən maşın üç aydan bir saxlanılmalıdır;
- Rulman və dişli ötürücü hissəsi yağla yağlanmalıdır;
- Yağlama vaxtaşırı aparılmalıdır;
- Hər gün iki dəfə geri dönən mexanizmin hərəkəti və ya qaldırma kimi hissəyə sürüşmə yolu yağı (N68) əlavə edilməlidir;
- Avtomobil yağı (N68) fırlanan və ya yellənən hissələrə əlavə edilməlidir;
- Hər yarım aydan bir cam yuvasına yağ əlavə edin;
- Hər ay bir dəfə yağ ucluğu üçün yağ əlavə edərək;
2. Komponentlər və ya qəlib kimi hissələrin yapışdırıldığı səthə vurmaq və ya qırmaq üçün heç vaxt metal alətlərdən istifadə etməyin.
3. Maşın uzun müddət işləməyi dayandırarsa, transmissiya və ya rulman hissəsi kimi hissələrə yağlama üçün yağ əlavə edin; Həmçinin maşını suya davamlı qoruma ilə müalicə edin.
4. Maşına zərər verməmək üçün maşının üzərinə heç vaxt əşya qoymayın.
5. Komponentlərin içindəki tozu vaxtaşırı təmizləyin, həmçinin bütün vintləri yoxlayın və gevşemiş vintləri düzəldin.
6. Müəyyən vaxtda terminallardakı vintləri naqil üçün yoxlayın və vintin sabit olduğundan əmin olun;
7. Elektrik qutularından uzanan naqillər yolunda hər hansı boş stansiyanın olub olmadığını yoxlayın; Əgər hissə çox boşdursa, elektrik sızmasına səbəb ola biləcək izolyasiya təbəqəsində aşınma və ya zədələnmənin qarşısını almaq üçün vinti yenidən bərkidin.
8. Asanlıqla köhnəlmiş yamaqları yoxlayın və zədələnmişini vaxtında dəyişdirin;










