
- VK-BR şüşə qabyuyan maşın
- VK-PF yağ doldurma maşını 4 başlıq
- VK-VC vakuum qapaq maşını
- VK-RPL dəyirmi şüşə etiketləmə maşını
Tam avtomatik doldurma xətti müştərinin tələblərinə və alıcının təklif etdiyi nümunələrə uyğun olaraq fərdiləşdirilə bilər. Aşağıda qida sənayesi üçün bu tam avtomatik doldurma xətti üçün əsas məlumatlar verilmişdir:
Şüşə Butulkalar Hava Yuma Machien Vakuum Yuyucu Avadanlıq
Hava ilə avtomatik şüşə yuyan maşındır. tutumu hava yuma nozzilərindən asılıdır.
Hava kompressoru vakuum qabının içindəki havanı nəql edir, solenoid klapan və ion generatoru vasitəsilə qaz təmizlənir, traxeya qaz şampunu qaz yuma ağzından qazı şüşələrə üfürür, qazın təzyiqi ilə qaz yuma ağzından yad məhlulu üfürür, emissiya nəzarəti yolu ilə geri trakeal tükənmiş tullantı qazı xaricə.

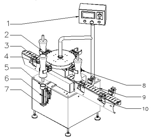
| 1 | İdarəetmə paneli | 2 | Butulkalar |
| 3 | Qida şüşələri üçün kəmər | 4 | Butulkaların qidalanması üçün sensor |
| 5 | şüşə fiksasiya quruluşu | 6 | Durulama enjeksiyonu |
| 7 | Elektrostatik tuyer | 8 | Şüşələrin bərkidilməsi nöqtəsi |
| 9 | Şüşələrin çıxarılması üçün kəmər | 10 | Bələdçi çubuğu |
Şüşə Butulkalar üçün Avtomatik Dönər Hava Paltaryuyan Maşının Əsas Parametri:

Model: VK-BR
Şüşəyə uyğun: 20-1000ml
İstehsal gücü: 8 təmizləyici ucluq: 3600~4800bph
Hava təzyiqi diapazonu: 6~8kg/sm2
Hava sərfi: 25m3/saat
Enerji təchizatı: 220V 50/60Hz
Enerji istehlakı: 0.75Kw
Tək maşın səs-küyü: ≤70dB
Təmizlənmiş hava: 0,2μm
Təmizləmə vaxtı: 3~5s
Net çəki: 350 kq
Ümumi ölçülər: 1200 x 800 x 1600 mm
Yağ doldurma maşını 4 başlıq xətti doldurucu

Mikrokompüter tərəfindən idarə olunan 4 başlıq zeytun doldurma maşını fotoelektrikliyi pnevmatik əməliyyatla birləşdirir, beləliklə, kənd təsərrüfatı kimyəvi, məhlul, maye yuyucu, kosmetik, eləcə də zeytunun maye doldurulması üçün geniş istifadə olunur.
Doldurma həcmi dəqiq, köpüksüz və sabitdir. Maşın mayeni 25-1000ml diapazonda doldura bilir, eyni zamanda butulkaların formalarına xüsusi tələb yoxdur. Yəni adi butulkalar üçün maye doldura bilir, eləcə də irrugula formalı butulkalar.

Model: VK-PF
Doldurma diapazonu: 50~3000ml
Doldurma sürəti: <20-30b/m(500-1000ml maye üçün)
Dəqiqlik: ±1%
Güc / təchizat gücü: 0.8kw, 220v
İş təzyiqi: 5~6kg/sm3
Hava sərfi: 0,5-0,7mpa
NW: 500 kq
Xarici ölçü: 2000×800×1900mm
Mark: Doldurma nozziləri doldurma diapazonu və doldurma sürəti ilə bağlı müştərilərin tələblərinə uyğun olaraq dizayn edilə və istehsal edilə bilər
Xətti Vakuum Qapaq Maşını Vk-Vc Kavanozları Qapaq Avadanlığı:
Bu xətti qapaq maşını illərin təcrübəsi ilə şirkətimiz tərəfindən tədqiq edilmiş və hazırlanmışdır, yerli olaraq unikaldır. İnteqrasiya edilmiş avtomatik qapaq örtüyü ilə tənzimləmə, vakuum qapaq.
Yüksək vakuuma nail olmaq üçün əl ilə vakuum nasosunu qəbul etdi. Heç bir şüşə funksiyası ilə örtüyü yoxdur, heç bir qapaq olmadıqda həyəcan verici. Yüksək avtomatlaşdırmadan həzz aldı. Əsas pnevmatik və elektrik hissələri dünyaca məşhur brendlərdəndir.
Sabit və etibarlı performans ilə. Konservləşdirilmiş qida, içki, ədviyyat, səhiyyə məhsulları və s. sənaye sahələrində dəmir qapaqlı şüşə qabların vakuumla bağlanması üçün geniş istifadə olunur.

Güc: ≤2.3KW (vakuum nasosu daxil olmaqla)
İstehsal gücü: 50-60BPM
Qapağın diametri: ¢30-¢55mm ¢50-¢85mm
Şüşə hündürlüyü: 80-250 mm
Şüşə diametri: ¢30-¢85mm
Maksimum vakuum: -0.08mpa
Qapaq burulması: 5-20N.M
Hava sərfi: 0,6M3/0,7Mpa
Maşın ölçüləri: Təxminən 3000×1000×1900mm
Çəkisi: təxminən 850 kq
Vk-Rpl Dəyirmi Şüşə Kavanozların Etiketləmə Maşını

Ərizə: Membran əlavə edilmiş etiket və ya məhsulun çevrə səthini tələb edin.
Sənaye: Qida, tibb, kosmetika, kosmetika, elektron, metal, plastik və digər sənayelərdə geniş istifadə olunur.
Ərizə: PET yuvarlaq butulkaların etiketlənməsi, plastik şüşələrin, konservlərin etiketlənməsi və s.

Uyğun etiket uzunluğu (mm): 20mm ~ 314mm
Tətbiq edilə bilən Etiket eni (arxa kağızın eni / mm): 15mm ~ 150mm
Tətbiq olunan məhsulların diametri (dəyirmi şüşə üçün) və hündürlüyü: diametri: φ25mm ~ φ100mm
Hündürlük: 25mm ~ 230mm
Tətbiq olunan standart rulon diametri (mm): φ280mm
Tətbiq olunan standart rulon diametri (mm): φ76mm
Etiketləmə dəqiqliyi (mm): ± 1mm
Standart sürət (m/dəq): Servo: 5 ~ 25m/dəq addım: 5 ~ 19m/dəq
Etiketləmə sürəti (əd/dəq): Addım: 30 ~ 80 əd/dəq (şüşə və etiket ölçüsü ilə)
Servo: 40 ~ 120pcs/dəq
Konveyer sürəti (m / dəq): 5 ~ 25m/dəq
Çəki (kq): təxminən 185 kq
Tezlik (HZ): 50HZ Gərginlik (V): 220V
Güc (W): 530W (dartma pilləsi) 980W (dartma servosu)
Cihaz ölçüləri (mm) (U × G × Y): 1950mm × 1100mm × 1300mm


Taxta qutu qablaşdırma:

Doldurma Xətti üçün Satışdan Sonra Xidmət

12 ay ərzində əsas hissələrin keyfiyyətinə zəmanət veririk. Bir il ərzində süni amillər olmadan əsas hissələr səhv olarsa, biz onları sərbəst şəkildə təmin edəcəyik və ya sizin üçün saxlayacağıq. Bir ildən sonra, hissələri dəyişdirmək lazımdırsa, biz sizə ən yaxşı qiyməti təqdim edəcəyik və ya saytınızda saxlayacağıq. Onun istifadəsi ilə bağlı texniki sualınız olduqda, sizə dəstək olmaq üçün əlimizdən gələni edəcəyik.
Keyfiyyətə zəmanət:
İstehsalçı malların İstehsalçının ən yaxşı materiallarından, birinci dərəcəli işlənmə ilə, tam yeni, istifadə olunmamış və bu müqavilədə nəzərdə tutulmuş keyfiyyətə, spesifikasiyaya və performansa hər cəhətdən uyğun olduğuna zəmanət verməlidir. Keyfiyyətə zəmanət müddəti B/L tarixindən etibarən 12 ay ərzindədir.
İstehsalçı keyfiyyətə zəmanət müddəti ərzində müqavilə bağladığı maşınları pulsuz təmir edəcək.
Əgər nasazlıq Alıcının qeyri-düzgün istifadəsi və ya digər səbəblərdən qaynaqlana bilərsə, istehsalçı təmir hissələrinin dəyərini ödəyəcək.
Quraşdırma və Sazlama:
Satıcı quraşdırma və sazlama işləri aparmaq üçün öz mühəndislərini göndərirdi. Xərc alıcı tərəfindən ödəniləcək (gediş-dönüş uçuş biletləri, alıcı ölkədə yerləşmə haqları). Alıcı quraşdırma və sazlama üçün sayta kömək göstərməlidir.









